

Ruffneck Defender XT-411 được thiết kế để sử dụng trong các ứng dụng đòi hỏi khắt khe nhất như giàn khoan, máy tiện ích và trạm nén, nơi tồn tại bụi bẩn, công suất dao động và điều kiện tác động cao.
Nó được coi là bộ điều nhiệt mạnh mẽ và ít gặp sự cố nhất trên thị trường do cấu trúc chắc chắn của nó.
Bộ điều nhiệt Ruffneck Defender XT-411 chỉ dùng để sưởi ấm và phù hợp với các hệ thống thông gió trong các ứng dụng công nghiệp đòi hỏi khắt khe. Nó được thiết kế để sử dụng ở những nơi nguy hiểm nơi có khí hoặc bụi dễ nổ cụ thể.
Bộ điều nhiệt Ruffneck™ Defender® XT-411 là bộ điều nhiệt chống cháy nổ duy nhất có sẵn cho điện áp đường dây hoặc nhiệm vụ thí điểm lên đến 600 Vac.
Các tính năng và lợi ích
• Toàn bộ vỏ ngoài bằng nhôm
• Không có bộ phận nhựa bên ngoài dễ vỡ
• Không có đồng hoặc đồng thau lộ ra ngoài
• Chống ăn mòn, thích hợp với môi trường H2S
• Không chứa CFC & thủy ngân, không cần san lấp mặt bằng

• Linh kiện đúc chính xác
• Bầu cảm biến được bảo vệ bởi một giếng nhiệt chắc chắn
• Chống va đập và không làm mất điểm đặt hiệu chuẩn
• Tối đa 600 Vac
• Nhỏ gọn và trọng lượng nhẹ
• Đi kèm dây sẵn để dễ dàng cài đặt
• Tương thích với tất cả vỏ bộ điều nhiệt Defender® trước đây và hiện tại
• Tương thích với tất cả các máy sưởi Ruffneck™ FX4 và FX5
Thông số kỹ thuật
• Phạm vi nhiệt độ: 40°F đến 90°F (5°C đến 30°C)
• Chênh lệch nhiệt độ: 6,5°F (3,6°C)
• Trọng lượng tịnh: 3,1 lbs (1,41 kg)
• Chuyển mạch: Tác động nhanh
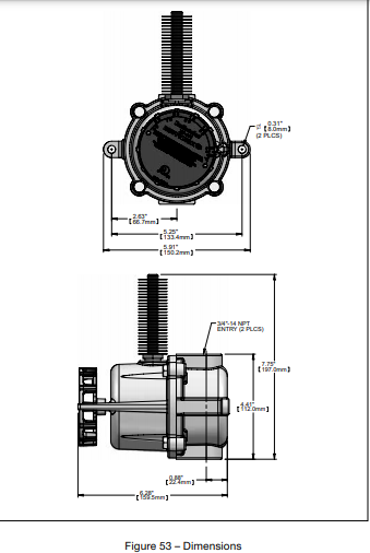
• Độ mở ống dẫn: ¾” – 14 NPT
Electrical Rating
600 Vac Max. (Canada) / 480 Vac Max. (US);
240 V / 30 A (Canada and US)
480 V / 15 A (Canada and US)
600 V / 15 A (Canada Only)
Class I, Division 1 & 2, Groups C & D;
Class II, Division 1, Groups E, F & G;
Class II, Division 2, Groups F & G; Class III;
Class I, Zones 1 & 2, Groups IIA & IIB
Specifications
| Brand Name | Caloritech | Item Name | Thermostat |
| Type | Explosion-Proof, Feed-Through | Control Range | 5 – 30 °C |
| Switch Type | SPST | Voltage Rating | 480 – 600 V |
| Amperage Rating | 22 A | Dimensions | 159.5 mm W x 150.2 mm D x 197 mm H |
Part Number: XT-411L
Dowload: XT-411 Catalog Pages
Xem thêm: XT-311 & XT-312 – Defender® Explosion-Proof Thermostat
Bộ điều nhiệt Ruffneck Defender XT-411
Liên hệ:
Công ty TNHH Wili Việt Nam
Email: Hung.tran@wili.com.vn
SDT: 0903 710 753

